搜 索
Toggle navigation
导航菜单
网站首页
公司简介
产品中心
文丘里阀
变风量控制系统
智能快速变风量调节阀
智能快速变风量控制器
服务优势
新闻中心
技术文档
成功案例
在线留言
联系我们
技术文档
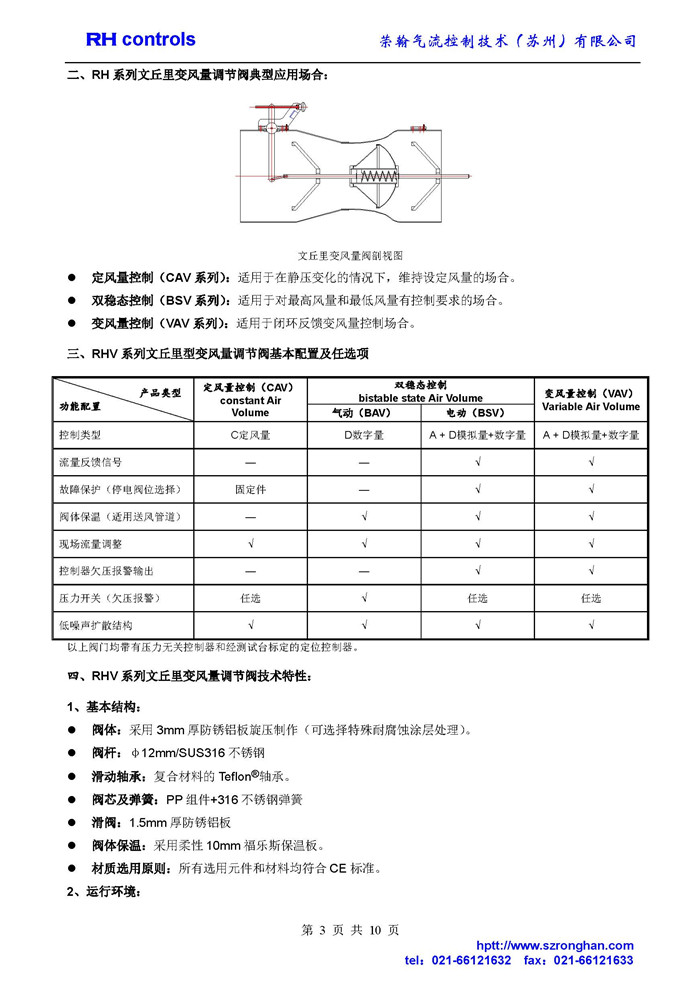
文丘里变风量调节阀
上一篇:
变风量控制系统
下一篇:没有了
技术文档
新闻中心
联系我们
CONTACT US
联系人:彭经理
手机:18796896391
电话:0512-53455638
邮箱:13621613188@126.com
地址:太仓市陆渡镇洙桥村
分享
手机
分类
顶部